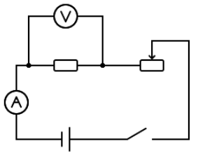
6. 小明想测量额定电压为$6\ V$的灯泡的额定功率(该灯泡正常发光时的电阻约为$4\ \Omega$)。实验器材有:电源一个、滑动变阻器一只、电流表(量程为$0\sim 0.6\ A$和$0\sim 3\ A$)一只、电压表(量程为$0\sim 3\ V$和$0\sim 15\ V$)一只、开关一个、导线若干。
(1) 将实验电路图画在虚线框里。
(2) 连接实验电路时,开关应处于
断开
状态,滑动变阻器的滑片应移到
阻值最大
位置,电流表应选择
0~3 A
的量程,电压表应选择
0~15 V
的量程。
(3) 实验时,应调节
滑动变阻器
,使电压表的示数为
6
$V$。若此时电流表的示数如图所示,则通过灯泡的电流为
1.4
$A$,灯泡的额定功率为
8.4
$W$。

答案:(1) 实验电路图:

(2) 断开;阻值最大;$0\sim 3\ A$;$0\sim 15\ V$
(3) 滑动变阻器;$6$;$1.4$;$8.4$
7. 某小组同学在测定灯泡的额定功率时,所用的器材有:电压为$6\ V$的电源、额定电压为$2.5\ V$的灯泡(额定功率小于$1\ W$)、滑动变阻器,以及符合实验要求的电表、开关和导线。如图(a)所示是小亮未连接完的电路。
(1) 本实验的原理是
$P=UI$
(用公式表示)。
(2) 请你用笔画线代替导线,将图(a)所示的电路连接完整。要求滑动变阻器的滑片 P 向右移动时,灯泡变亮。
(3) 小亮正确连接电路后闭合开关,发现电流表、电压表均有示数,但灯泡却不发光。导致这一现象的原因可能是
滑动变阻器接入电路的电阻过大(或灯泡实际功率太小)
。
(4) 实验中,小亮在移动滑动变阻器滑片 P 的同时,眼睛应注意观察
B
(选填序号)。
A. 灯泡的亮度
B. 电压表的示数
C. 电流表的示数
D. 滑动变阻器的滑片 P
(5) 当灯泡正常发光时,电流表的示数如图(b)所示,则灯泡的额定功率是
0.5
$W$,此时灯泡的电阻是
12.5
$\Omega$。同组的小明在计算灯泡正常发光的电阻时,将在不同电压下所测得的电阻相加,并求出平均值,这种方法是错误的,原因是忽略了
温度
对灯丝电阻的影响。

答案:(1) $ P=UI $
(2) (滑动变阻器右下接线柱与开关右接线柱相连,电压表“3”接线柱与灯泡右接线柱相连)
(3) 滑动变阻器接入电路的电阻过大(或灯泡实际功率太小)
(4) B
(5) 0.5;12.5;温度