7. (跨学科实践·工程技术)(2025·苏州模拟)综合实践课上,小明制作了恒温箱系统,原理如图。控制电路由电磁继电器、滑动变阻器$R_1$、
热敏电阻$R_2$(安装在恒温箱内,阻值随温度升高而显著减小)、低压电源等组成。加热电路由电源、电热
丝$R_3$和$R_4$等组成。调好$R_1$阻值,闭合开关$S_1$、$S_2$,箱内温度升高到设定值后即在小范围内波动,且降温阶段降温比较平缓。
(1)恒温箱的设计既利用了电流的磁效应又利用了电流的
热
效应。
(2)温度升高时,电磁铁磁性
增强
。
(3)将$R_1$的阻值稍微调小一些,恒温箱控制的温度将
降低
。

答案:7.(1)热 (2)增强 (3)降低
8. 根据如图所示磁感线方向,在相应的括号中,标出永磁体左侧的磁极(用“N”或“S”表示)和电源的极性(用“+”或“-”表示)。

答案:8.如图所示

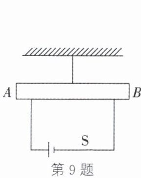
9. 将一个通电螺线管$AB$用单线悬挂起来,如图所示,闭合开关$S$,最后静止时$A$端指南、$B$端指北。画出螺线管上导线的绕法,并在螺线管两端标出$N、S$极。

答案:9.如图所示

10. 矩形铜线框在某磁场中的位置如图所示,$ab、bc、ed$和$fe$段都受到该磁场的作用力,下列受到该磁场的作用力方向相同的两段是 (
B
)

A.$ab$段与$bc$段
B.$ab$段与$ed$段
C.$ab$段与$fe$段
D.$fe$段与$ed$段
答案:10.B
解析:
解:由图可知,磁场方向水平向右。根据电路连接,电流方向为:$c→b→a→f→e→d→c$。
$ab$段:电流方向$b→a$(竖直向上),磁场向右,由左手定则,安培力方向垂直纸面向外。
$bc$段:电流方向$c→b$(水平向左),磁场向右,电流与磁场方向相反,安培力为0。
$ed$段:电流方向$e→d$(竖直向下),磁场向右,由左手定则,安培力方向垂直纸面向外。
$fe$段:电流方向$f→e$(水平向右),磁场向右,电流与磁场方向相同,安培力为0。
综上,$ab$段与$ed$段所受磁场作用力方向相同。
答案:B
11. 研究电动机的工作过程。
(1)电动机的工作原理是磁场对
通电导体
有力的作用。如图甲所示,线圈左右两边框$ab、cd$的受力方向相反,其原因是
电流方向相反
。
(2)图乙中的线圈所在的位置
是
(是/不是)平衡位置,图中$C、D$组成的装置叫
换向器
,它的作用是在线圈
刚转过
(刚转到/即将转到/刚转过)平衡位置时,自动改变线圈中的电流方向,从而使线圈持续转动。
(3)①小明将图丙中直流电动机模型接入电路,各部分连接完好,结果电动机却不能转动,他用手轻轻地碰了一下线圈后,直流电动机模型开始正常转动。模型刚开始不转的原因可能是
C
。
A. 直流电动机的铜半环与电刷接触不良
B. 电源电压太低
C. 线圈刚好处于平衡位置
D. 线圈中的电流太小
②调换
蹄形磁体
(填器件名称)的放置方式可改变电动机的转动方向。

答案:11.(1)通电导体 电流方向相反 (2)是 换向器刚转过 (3)①C ②蹄形磁体